产品介绍
数显智能高速电机上下限频率转速线速度仪表报警控制变送通讯输出
高速低频高精度数字智能频率转速线速度仪表报警控制变送通讯输出
四五六八位数显智能频率转速线速度仪表高低报警控制变送通讯输出
数显上下限抗干扰高精度频率转速线速度仪表报警控制变送通讯输出
智能数显上下限频率转速线速度仪表一二三段报警控制变送通讯输出
数显上下限智能频率转速线速度仪表一二三路报警控制变送通讯输出
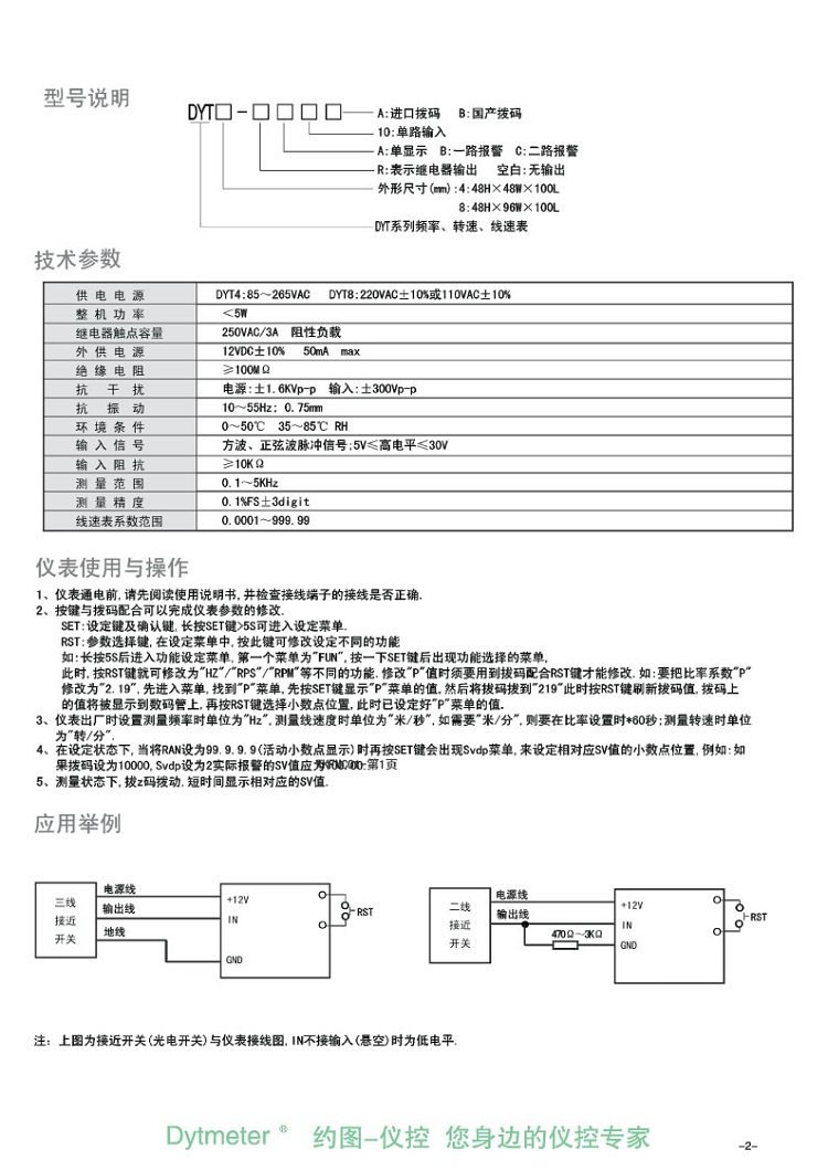
亲!根据所选功能、精度不同则操作说明书不同,具体说明书请联系客服发送电子版本。
约图-仪控 您身边的仪控专家。约图-Dytmeter仪控有限公司是一家有着十几年专业生产销售电力智能数字测控仪、电工类数字电压、电流、功率、电量类仪表、各类工业传感器、电动…... 了解更多>>